legines.com
Bakal na binabawasan ang mga nipple kits 2510

Bakal na binabawasan ang mga nipple kits 2510

Isama:
Pagbabawas ng Hex Nipple: 1 PC;
Pagbabawas ng adapter: 1 PC;

Ang mga fittings ng pipe ay mga sangkap na ginagamit para sa pagkonekta, pagtatapos, pagkontrol ng daloy, at pagbabago ng direksyon ng piping sa maraming iba't ibang mga industriya. Kapag bumili ng mga fittings ng pipe, isaalang -alang ang application, dahil makakaapekto ito sa materyal na uri, hugis, sukat, at kinakailangang tibay. Ang mga fittings ay magagamit na may sinulid o walang pag -asa, sa maraming mga hugis, estilo, sukat, at mga iskedyul (kapal ng pader ng pipe).

Karaniwang application:
Grasa, pagpapalamig, instrumento at hydraulic system.fuel

Mga kalamangan:
Dryseal pipe threads (BSPT (R)/BSP (g) .Large range ng mga sukat at pagsasaayos $

Makipag -ugnay sa amin

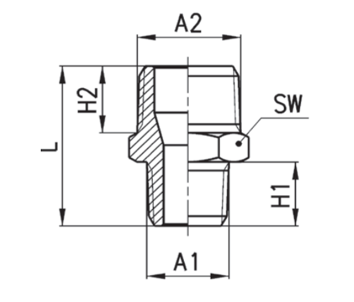
Mga pagtutukoy

Bahagi#

Laki ng Thread A1 × A2

S.W.

L

H

2510-ab

R1/8 × R1/4

14

23.5

7.5

2510-ac

R1/8 × 3/8 17 24.0 7.5

2510-BC

R1/4 × R3/8

17

27.5

11.0

2510-bd

R1/4 × R1/2

22

30.5

11.0

2510-cd

R3/8 × R1.2

22

31.0

11.5

2510-de

R1/2 × R3/4 $

27

37.5

14.0

Makipag -ugnay sa amin

Tungkol sa Mga legine

Legines Industrial Makinarya Inc.

Bilang isang propesyonal na tagagawa ng tanso ng tanso ng tanso at itulak ang mga supplier ng fittings.it ay nagpatibay ng buong CNC machining at nagmamay -ari ng lugar ng pagawaan ng 3600 square meters. 45 Awtomatikong Mga Tool sa Machine, 35 Semi-Automatic CNC Machine Tools, pati na rin ang mga namamahagi, na naging mahalagang mga supplier para sa paggawa ng mga pamantayang tanso na Amerikano sa Tsina ...
  • karangalan
  • karangalan

Mga tagubilin & Balita