legines.com
70# FORGED 90 ° Babae na mga fitting ng compression ng siko

70# FORGED 90 ° Babae na mga fitting ng compression ng siko

Mga Aplikasyon: Mga Pamilihan:
■■ Mga linya ng hangin ■■ Pang -industriya
■■ Mga linya ng lubrication ■■ Packaging
■■ Mga linya ng paglamig ■■ Pneumatic
■■ Industriya ■■ Pagpi -print
■■ Makinarya
■■ Mga compressor
■■ Fluid Transfer

Mga Tampok ng Produkto:
■■ Nakakatugon sa mga kinakailangan sa pag-andar ng SAE J-512
■■ UL nakalista para sa nasusunog na likido
■■ Magagamit ang tanso o acetal na manggas
■■ Walang paghahanda ng tubo
■■ Forged at extruded na mga hugis

Sanggunian Bahagi Hindi:
70 -170C -S70 -70A $

Makipag -ugnay sa amin

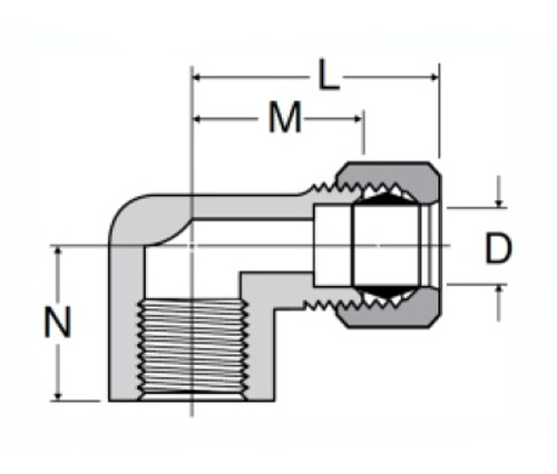
Mga pagtutukoy

Bahagi#

TUBE O.D X FEMALR NPTF

N

M

D

70-3A

3/16x1/8

.470

.69

.125

70-4A

1/4x1/8

.470

.69

.188

70-4b

1/4x1/4

.562

.75

.188

70-5A

5/16x1/8

.600

.78

.234

70-5b

5/16x1/4

.562

.78

.250

70-6b

3/8x1/4

.580

.81

.312

70-6C

3/8x3/8

.580

.88

.312

70-8b

1/2x1/4

.700

1.00

.312

70-8C

1/2x3/8

.700

1.00

.406

70-8d

1/2x1/2

.880

1.00

.406

*Ref.SAE No.060203 BA

Ang 70# forged female elbow ay isang maaasahang compression fitting na ginawa upang matugunan si Sae J-512. Ang fitting na ito ay dinisenyo gamit ang isang anggulo ng 90 ° na may kaugnayan sa tubing axis at maaaring magamit upang mag -branch o gumawa ng isang anggulo anumang oras pagkatapos ng pag -install. Ang forged tanso o acetal na manggas ay nagbibigay -daan para sa madaling pagpupulong na walang kinakailangang paghahanda ng tubo.
Ang 70 degree na babaeng siko ay ginagamit para sa control control at maaaring magamit sa banayad na bakal, hindi kinakalawang na asero, aluminyo at plastik. Ang 70 degree na babaeng siko ay nagsasama ng isang plastik o tanso na manggas na nag -aalok ng paglaban sa kaagnasan. Ang fitting na ito ay katugma sa malambot na pader na tubing at ang laki ng leeg ay tumutugma sa tube od kapag nagtipon.

Makipag -ugnay sa amin

Tungkol sa Mga legine

Legines Industrial Makinarya Inc.

Bilang isang propesyonal na tagagawa ng tanso ng tanso ng tanso at itulak ang mga supplier ng fittings.it ay nagpatibay ng buong CNC machining at nagmamay -ari ng lugar ng pagawaan ng 3600 square meters. 45 Awtomatikong Mga Tool sa Machine, 35 Semi-Automatic CNC Machine Tools, pati na rin ang mga namamahagi, na naging mahalagang mga supplier para sa paggawa ng mga pamantayang tanso na Amerikano sa Tsina ...
  • karangalan
  • karangalan

Mga tagubilin & Balita