legines.com
72# Brass male run tee compression fittings

72# Brass male run tee compression fittings

Brass male run tee compression fittings 71

Mga Aplikasyon: Mga Pamilihan:
■■ Mga linya ng hangin ■■ Pang -industriya
■■ Mga linya ng lubrication ■■ Packaging
■■ Mga linya ng paglamig ■■ Pneumatic
■■ Industriya ■■ Pagpi -print
■■ Makinarya
■■ Mga compressor
■■ Fluid Transfer

Mga Tampok ng Produkto:
■■ Nakakatugon sa mga kinakailangan sa pag-andar ng SAE J-512
■■ UL nakalista para sa nasusunog na likido
■■ Magagamit ang tanso o acetal na manggas
■■ Walang paghahanda ng tubo
■■ Forged at extruded na mga hugis

71 -171C -71A -S71 $

Makipag -ugnay sa amin

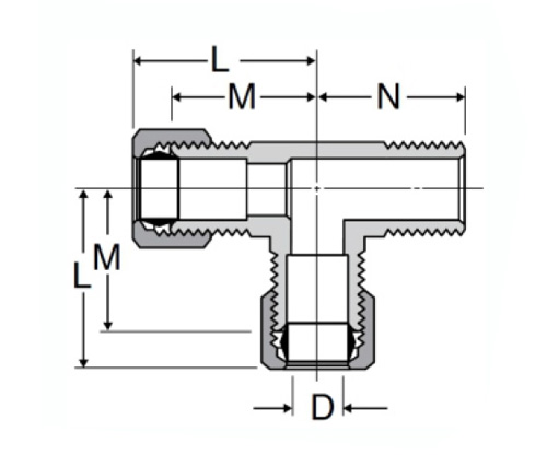
Mga pagtutukoy

Bahagi#

Tube O.D × Lalaki NPTF

M

N

D

71-3a

3/16 × 1/8

.63

.69

.125

71-4a

1/4 × 1/8

.63

.75

.188

71-4b

1/4 × 1/4

.69

.88

.188

71-5A

5/16 × 1/8

.72

.75

.250

71-5b

5/16 × 1/4

.75

.88

.250

71-6a

3/8 × 1/8

.75

.75

.312

71-6b

3/8 × 1/4

.79

.87

.312

71-6c

3/8 × 3/8

.88

1.00

.330

71-8C

1/2 × 3/8

.94

1.09

.406

71-8d

1/2 × 1/2

.97

1.19

.406

71-10d

5/8 × 1/2 $

1.06

1.31

.500

Ang aming 72# tanso na male run tee compression fittings ay nakakatugon sa mga kinakailangan sa pag-andar ng SAE J-512 at nakalista ang UL para sa nasusunog na likido. Ang mga fittings na ito ay walang paghahanda ng tubo, at hinuhulaan at extruded na mga hugis. Magagamit ang mga ito sa isang hanay ng mga materyales kabilang ang tanso, plastik at metal na manggas. Nagtatampok ito ng isang tanso o acetal na manggas at maaaring magamit sa iba't ibang mga aplikasyon tulad ng mga undercarriages, pagpapadala at mga sistema ng gasolina. Walang kinakailangang paghahanda ng tubo. $

Makipag -ugnay sa amin

Tungkol sa Mga legine

Legines Industrial Makinarya Inc.

Bilang isang propesyonal na tagagawa ng tanso ng tanso ng tanso at itulak ang mga supplier ng fittings.it ay nagpatibay ng buong CNC machining at nagmamay -ari ng lugar ng pagawaan ng 3600 square meters. 45 Awtomatikong Mga Tool sa Machine, 35 Semi-Automatic CNC Machine Tools, pati na rin ang mga namamahagi, na naging mahalagang mga supplier para sa paggawa ng mga pamantayang tanso na Amerikano sa Tsina ...
  • karangalan
  • karangalan

Mga tagubilin & Balita