legines.com
72# compression fittings male branch tee

72# compression fittings male branch tee

Mga Aplikasyon: Mga Pamilihan:
■■ Mga linya ng hangin ■■ Pang -industriya
■■ Mga linya ng lubrication ■■ Packaging
■■ Mga linya ng paglamig ■■ Pneumatic
■■ Industriya ■■ Pagpi -print
■■ Makinarya
■■ Mga compressor
■■ Fluid Transfer

Mga Tampok ng Produkto:
■■ Nakakatugon sa mga kinakailangan sa pag-andar ng SAE J-512
■■ UL nakalista para sa nasusunog na likido
■■ Magagamit ang tanso o acetal na manggas
■■ Walang paghahanda ng tubo
■■ Forged at extruded na mga hugis

Sanggunian Bahagi Hindi:
72 -172C -S72 -72A $

Makipag -ugnay sa amin

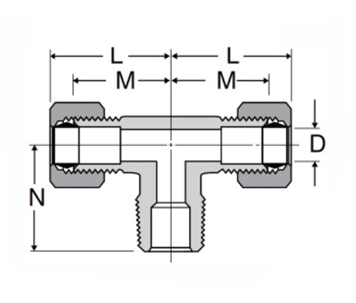
Mga pagtutukoy

Bahagi#

Tube O.D × Lalaki NPTF

M

N

D

72-3a

3/16 × 1/8

.63

.69

.125

72-4a

1/4 × 1/8

.63

.75

.188

72-4b

1/4 × 1/4

.69

.88

.188

72-5A

5/16 × 1/8

.72

.75

.250

72-5b

5/16 × 1/4

.75

.88

.250

72-6A

3/8 × 1/8

.75

.75

.312

72-6b

3/8 × 1/4

.79

.87

.312

72-6c

3/8 × 3/8

.88

1.00

.330

72-8C

1/2 × 3/8

.94

1.09

.406

72-8d

1/2 × 1/2

.97

1.19

.406

72-10d

5/8 × 1/2 $

1.06

1.31

.500

Ang lahat ng mga fittings ng compression ay ginawa upang matugunan o lumampas sa mga functional na kinakailangan ng SAE J-512 at UL na nakalista para sa nasusunog na likido. Ang mga ito ay ginawa mula sa aluminyo haluang metal, tanso o acetal. Ang aming mga huwad at extruded na mga hugis ay may mataas na antas ng paglaban sa pinsala na karaniwang magaganap sa mas maginoo na mga fittings. Gagawa kami ng anumang hugis na maaari mong isipin hanggang sa isang maximum na diameter ng 2 ”.
Ang compression fittings male branch tee ay isang 90 ° branch-type tee na angkop para magamit sa tanso, hindi kinakalawang na asero, at thermoplastic pipe. Ang siko swivels 360 ° upang gawing mas madali upang kumonekta sa mga matigas na anggulo at mga tubo ng tee.

Makipag -ugnay sa amin

Tungkol sa Mga legine

Legines Industrial Makinarya Inc.

Bilang isang propesyonal na tagagawa ng tanso ng tanso ng tanso at itulak ang mga supplier ng fittings.it ay nagpatibay ng buong CNC machining at nagmamay -ari ng lugar ng pagawaan ng 3600 square meters. 45 Awtomatikong Mga Tool sa Machine, 35 Semi-Automatic CNC Machine Tools, pati na rin ang mga namamahagi, na naging mahalagang mga supplier para sa paggawa ng mga pamantayang tanso na Amerikano sa Tsina ...
  • karangalan
  • karangalan

Mga tagubilin & Balita