legines.com
42# SAE 45 ° Flare Female Connector Brass Flare Fittings

42# SAE 45 ° Flare Female Connector Brass Flare Fittings

Mga Tampok ng Produkto:
■■ Lahat ng konstruksiyon ng tanso
■■ Lumalaban sa panginginig ng boses sa paggamit ng mahabang nut
■■ UL Listahan
■■ Mga kinakailangan sa pag -andar ng SAE J512 at J513


Mga Pamilihan: Mga Aplikasyon:
■■ Pagpapalamig ■■ Mga linya ng nagpapalamig
■■ Malakas na trak ng tungkulin ■■ Propane
■■ Mobile ■■ Fuels
■■ Pang -industriya ■■ Adapter
■■ Pag -init ■■ Likas na gas
■■ Air conditioning

Sanggunian Bahagi Hindi:
46 -U3 -10227-10248 $

Makipag -ugnay sa amin

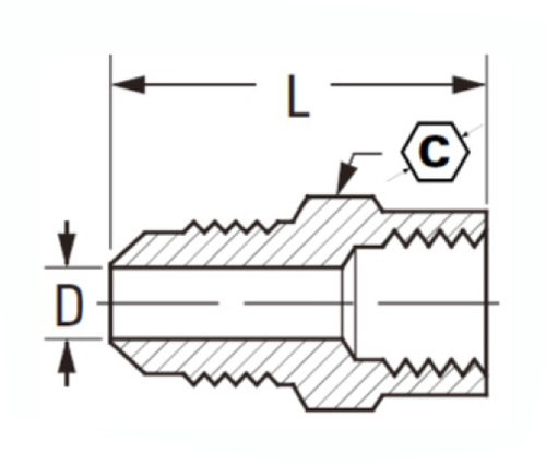
Mga pagtutukoy

Bahagi#

Flare O.D × Thread

C

D

L

46-3a

3/16 × 1/8

9/16

.126

.58

46-4a

1/4 × 1/8

9/16

.189

.69

46-4b

1/4 × 1/4

11/16

.189

.79

46L-4B

1/4 × 1/4

11/16

.189

.88

46-4c

1/4 × 3/8

13/16

.189

1.06

46-4d

1/4 × 1/2

15/16

.189

1.31

46-5A

5/16 × 1/8

5/8

.219

1.38

46-5b

5/16 × 1/4

11/16

.219

1.44

46-5c

5/16 × 3/8

13/16

.219

1.69

46-6a

3/8 × 1/8

5/8

.282

1.88

46-6b

3/8 × 1/4

11/16

.282

1.87

46L-6B

3/8 × 1/4

13/16

.282

1.31

46-6c

3/8 × 3/8

13/16

.282

1.44

46-6d

3/8 × 1/2

1 "

.282

1.69

46L-6D

3/8 × 1/2

15/16

.282

1.44

46-8b

1/2 × 1/4

3/4

.408

1.60

46-8c

1/2 × 3/8

13/16

.408

1.62

46L-8C

1/2 × 3/8

13/16

.408

1.46

46-8d

1/2 × 1/2

1 "

.408

1.73

46L-8d

1/2 × 1/2

7/8

.408

1.62

46-8e

1/2 × 3/4

1-3/16

.408

1.75

46-10c

5/8 × 3/8

7/8

.500

1.79

46-10d

5/8 × 1/2

1 "

.500

1.98

46-12d

3/4 × 1/2

1-3/16

.625

2.17

46-12e

3/4 × 3/4

1-3/16

.625

2.08

Ang "L" ay nangangahulugang light pattern.

Ang mga fittings na ito ay ganap na mapagpapalit na may buong mga fittings ng pattern, ngunit binago ang hindi magandang paraan.

Ang pagbabagong ito ay karaniwang nasa haba ng mga pipe thread, na ginagamit sa pagtutubero at magaan na pang -industriya na aplikasyon

*Ang data ng sukat ay maaaring magbago nang walang abiso

*Ref.sae No.010103 $

Ang konektor ng SAE 45 ° flare ay idinisenyo para sa mga aplikasyon ng light-to-medium na nangangailangan ng mataas na pagiging maaasahan. Ang 46-U3 ay ginagamit para sa 10,000 PSI maximum na presyon sa pamamagitan ng paggamit ng nitrile goma hose na may neoprene liner. Ang konektor na ito ay may isang mabibigat na nut na lumalaban sa panginginig ng boses at nagpapalawak ng buhay ng produkto. Ang Sae male flare fitting ay gumagamit ng isang bayonet lock singsing na hindi nangangailangan ng mga espesyal na tool upang mapalitan ang angkop sa kaso ng pagkabigo o pagpapanatili.

Makipag -ugnay sa amin

Tungkol sa Mga legine

Legines Industrial Makinarya Inc.

Bilang isang propesyonal na tagagawa ng tanso ng tanso ng tanso at itulak ang mga supplier ng fittings.it ay nagpatibay ng buong CNC machining at nagmamay -ari ng lugar ng pagawaan ng 3600 square meters. 45 Awtomatikong Mga Tool sa Machine, 35 Semi-Automatic CNC Machine Tools, pati na rin ang mga namamahagi, na naging mahalagang mga supplier para sa paggawa ng mga pamantayang tanso na Amerikano sa Tsina ...
  • karangalan
  • karangalan

Mga tagubilin & Balita