legines.com
39# SAE 45 ° Flare Brass Fittings Flare Plug

39# SAE 45 ° Flare Brass Fittings Flare Plug

Mga Tampok ng Produkto:
■■ Lahat ng konstruksiyon ng tanso
■■ Lumalaban sa panginginig ng boses sa paggamit ng mahabang nut
■■ UL Listahan
■■ Mga kinakailangan sa pag -andar ng SAE J512 at J513


Mga Pamilihan: Mga Aplikasyon:
■■ Pagpapalamig ■■ Mga linya ng nagpapalamig
■■ Malakas na trak ng tungkulin ■■ Propane
■■ Mobile ■■ Fuels
■■ Pang -industriya ■■ Adapter
■■ Pag -init ■■ Likas na gas
■■ Air conditioning

Sanggunian Bahagi Hindi:
58 -57 -439 -639f -P2 -PF -2229 -10063 ~ 10069

Makipag -ugnay sa amin

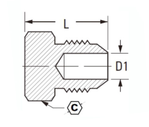
Mga pagtutukoy

Bahagi# Tube O.D. C D1 L
39-2 1/8 7/16 .079 .47
39-3 3/16 1/2 .126 .58
39-4 1/4 9/16 .189 .69
39-5 5/16 5/8 .220 .79
39-6 3/8 3/4 .282 .88
39-8 1/2 7/8 .408 1.06
39-10 5/8 1-1/16 .502 1.19
39-12 3/4 1-5/16 .627 1.30

*Ref.sae No.010109 $

Ang SAE 45 ° flare tanso na umaangkop ay mainam para sa pagpapalamig, air conditioning at propane line. Nagtatampok ito ng isang mahabang nut para sa paglaban ng panginginig ng boses at katugma sa mga pamantayan ng SAE J512 at J513. Ang angkop na ito ay gawa sa mataas na kalidad na tanso at ginawa sa eksaktong mga pamantayan upang matiyak ang higit na mahusay na pagganap. $

Makipag -ugnay sa amin

Tungkol sa Mga legine

Legines Industrial Makinarya Inc.

Bilang isang propesyonal na tagagawa ng tanso ng tanso ng tanso at itulak ang mga supplier ng fittings.it ay nagpatibay ng buong CNC machining at nagmamay -ari ng lugar ng pagawaan ng 3600 square meters. 45 Awtomatikong Mga Tool sa Machine, 35 Semi-Automatic CNC Machine Tools, pati na rin ang mga namamahagi, na naging mahalagang mga supplier para sa paggawa ng mga pamantayang tanso na Amerikano sa Tsina ...
  • karangalan
  • karangalan

Mga tagubilin & Balita