legines.com
3200# Extender Adapter Fittings

3200# Extender Adapter Fittings

Mga Tampok ng Produkto: Mga Pamilihan:
■■ Lahat ng konstruksiyon ng tanso ■■ Pang -industriya
■■ Nakakatugon sa mga kinakailangan sa pag -andar ng ■■ Konstruksyon
Sae J530 at Sae J531 ■■ Malakas na trak ng tungkulin
■■ Ang mga thread na ginawa sa mga pamantayan ng dryseal ■■ Mobile
■■ Ang parehong mga pagpapatawad at extrusion ay magagamit ■■ Automation ng Pabrika/Proseso

Mga Aplikasyon: katugmang tubing:
■■ Mga linya ng hangin ■■ Tanso
■■ Linya ng tubig ■■ Tanso
■■ Mga linya ng paglamig ■■ Iron Pipe

Mga pagtutukoy:
Saklaw ng presyon hanggang sa 1000 psi
Saklaw ng temperatura -65˚ hanggang 250˚F

Karaniwang application:
Grease, Fuels, LP at Likas na Gas, Pagpapalamig.Instrumentation at Hydraulic Systems

Pagsunod:
Nakakatugon sa mga pagtutukoy at pamantayan ng ASA, ASME at SAE.

Sanggunian Bahagi Hindi:
375 -222p -3200 -R1 -120Ah -120B

Makipag -ugnay sa amin

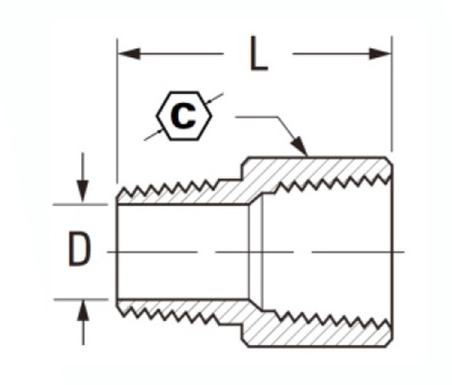
Mga pagtutukoy

Bahagi#

Laki ng Thread

C

F

L

3200-AA

F1/8 × M1/8

1/2

.219

.88

3200L-AA

F1/8 × M1/8

9/16

.219

.83

3200-ba

F1/4 × M1/8

3/4

.219

1.06

3200L-BA

F1/4 × M1/8

11/16

.219

.94

3200ll-ba

F1/4 × M1/8

5/8

.219

.94

3200-bb

F1/4 × M1/4

3/4

.312

1.25

3200L-BB

F1/4 × M1/4

11/16

.312

1.00

3200LL-BB

F1/4 × M1/4

5/8

.312

1.00

3200-ca

F3/8 × M1/8

7/8

.219

1.00

3200-cb

F3/8 × M1/4

7/8

.312

1.25

3200L-CB

F3/8 × M1/4

13/16

.312

1.12

3200-CC

F3/8 × M3/8

7/8

.438

1.24

3200L-CC

F3/8 × M3/8

13/16

.438

1.12

3200-db

F1/2 × M1/4

1-1/16

.312

1.46

3200-DC

F1/2 × M3/8

1-1/16

.438

1.47

3200L-DC

F1/2 × M3/8

15/16

.438

1.19

3200-dd

F1/2 × M1/2

1-1/16

.562

1.66

3200L-DD

F1/2 × M1/2

15/16

.562

1.31

3200-EC

F3/4 × M3/8

1-1/4

.438

1.59

3200-ed

F3/4 × M1/2

1-1/4

.563

1.69

3200-ee

F3/4 × M3/4

1-1/4

.750

1.69

*L: ilaw

*Ref.SAE No.130139

Ang mga fittings ng adapter ay gawa sa parehong mga pagpapatawad at extrusions at katugma sa isang malawak na hanay ng mga tubing, kabilang ang mga linya ng hangin, mga linya ng tubig, atbp. Sae J530 at SAE J531 na mga thread ay nakakatugon sa mga kinakailangan sa pag -andar ng mga mabibigat na merkado ng trak. Tugma sa parehong tanso at tanso na tubing, ang produktong ito ay maaaring hawakan ang isang saklaw ng presyon hanggang sa 1000 psi. Ang lahat ng mga fittings ay ginawa sa USA.Ang 3200 Series - Series 200 Adapter Fittings ng RSE ay idinisenyo upang mapalawak ang mga haba ng pipe. Ang isang matibay, lahat ng konstruksiyon ng tanso ay ginagawang perpekto ang mga konektor para sa pang -industriya, trak at mobile application. Ang mga fittings na ito ay maaaring kumonekta sa anumang 2 pulgada na laki ng pipe at magkaroon ng isang saklaw ng presyon sa pagitan ng 500-1000 psi, na may mga temperatura na mula sa -65˚ hanggang 250˚ Fahrenheit. Magagamit din sa mga sukat mula sa 1/8 "hanggang 6" .Ang 3200# extender adapter fitting ay idinisenyo para sa mga aplikasyon na may mga laki ng tubing mula 1/2 "hanggang 2". Nagtatampok ito ng isang ferruled na katawan na gawa sa tanso na nagbibigay ng proteksyon laban sa kaagnasan, kaya ang angkop ay maaaring magamit sa iba't ibang mga antas ng presyon ng tubig. Ang pagtatapos ng babae ay sinulid at may tatlong set na mga tornilyo.

Makipag -ugnay sa amin

Tungkol sa Mga legine

Legines Industrial Makinarya Inc.

Bilang isang propesyonal na tagagawa ng tanso ng tanso ng tanso at itulak ang mga supplier ng fittings.it ay nagpatibay ng buong CNC machining at nagmamay -ari ng lugar ng pagawaan ng 3600 square meters. 45 Awtomatikong Mga Tool sa Machine, 35 Semi-Automatic CNC Machine Tools, pati na rin ang mga namamahagi, na naging mahalagang mga supplier para sa paggawa ng mga pamantayang tanso na Amerikano sa Tsina ...
  • karangalan
  • karangalan

Mga tagubilin & Balita