legines.com
3400# Brass Pipe Fittings 90 Degree Street Elbow

3400# Brass Pipe Fittings 90 Degree Street Elbow

Mga Tampok ng Produkto: Mga Pamilihan:
■■ Lahat ng konstruksiyon ng tanso ■■ Pang -industriya
■■ Nakakatugon sa mga kinakailangan sa pag -andar ng ■■ Konstruksyon
Sae J530 at Sae J531 ■■ Malakas na trak ng tungkulin
■■ Ang mga thread na ginawa sa mga pamantayan ng dryseal ■■ Mobile
■■ Ang parehong mga pagpapatawad at extrusion ay magagamit ■■ Automation ng Pabrika/Proseso

Mga Aplikasyon: katugmang tubing:
■■ Mga linya ng hangin ■■ Tanso
■■ Linya ng tubig ■■ Tanso
■■ Mga linya ng paglamig ■■ Iron Pipe

Mga pagtutukoy:
Saklaw ng presyon hanggang sa 1000 psi
Saklaw ng temperatura -65˚ hanggang 250˚F

Karaniwang application:
Grease, Fuels, LP at Likas na Gas, Pagpapalamig.Instrumentation at Hydraulic Systems

Pagsunod:
Nakakatugon sa mga pagtutukoy at pamantayan ng ASA, ASME at SAE.

Sanggunian Bahagi Hindi:
2202p -3400 -304 -115 -202 -116a -28156 hanggang 2816

Makipag -ugnay sa amin

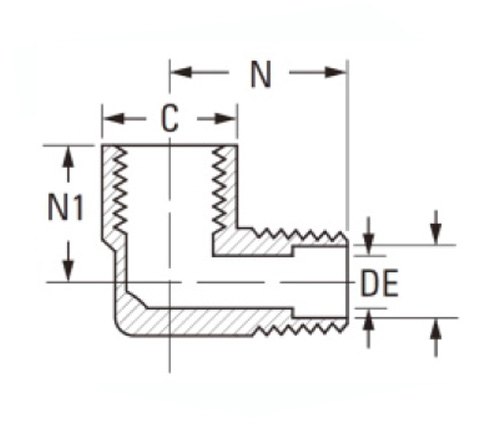
Mga pagtutukoy

Bahagi# Laki ng Thread C D N N1
3400-AA 1/8 × 1/8 9/16 .219 .66 .47
3400-bb 1/4 × 1/4 11/16 .315 .91 .72
3400-CC 3/8 × 3/8 13/16 .438 .97 .78
3400-dd 1/2 × 1/2 1 " .562 1.25 1.03
3400-ee 3/4 × 3/4 1-1/4 .750 1.38 1.12

Ref.SAE No.130239

3400# tanso na pipe fittings 90 degree na siko ng kalye ay ginawa mula sa lahat ng konstruksyon ng tanso at katugma sa parehong mga pagpapatawad at extrusion; Pang -industriya na mga fittings ng grade na nakakatugon sa mga functional na kinakailangan ng SAE J530 at SAE J531; Market: Konstruksyon, Malakas na Tungkulin ng Trak at Mobile. Ang parehong mga pamantayan ay sinusundan upang magtrabaho sa mga mobile application na kung saan ay thermoplastic goma (TPR) ay binuo para magamit sa automotive, pang -industriya at komersyal na mga aplikasyon kung saan ang CPVC ay hindi katugma.Ang weld end 90 degree na siko ng kalye ay angkop para magamit sa mga hydraulic system, lalo na kung nagtatrabaho sa ilalim ng matinding presyon. Magagamit ito sa isang malawak na hanay ng mga sukat at may pambihirang pagtutol ng kaagnasan.Ang angkop na ito ay ginagamit para sa pagkonekta ng mga linya ng hangin na binubuo ng tanso na tanso. Mayroon itong anggulo ng 90 degree at gawa sa tanso, kaya maaari itong makatiis ng malupit na mga kondisyon ng panahon.

Makipag -ugnay sa amin

Tungkol sa Mga legine

Legines Industrial Makinarya Inc.

Bilang isang propesyonal na tagagawa ng tanso ng tanso ng tanso at itulak ang mga supplier ng fittings.it ay nagpatibay ng buong CNC machining at nagmamay -ari ng lugar ng pagawaan ng 3600 square meters. 45 Awtomatikong Mga Tool sa Machine, 35 Semi-Automatic CNC Machine Tools, pati na rin ang mga namamahagi, na naging mahalagang mga supplier para sa paggawa ng mga pamantayang tanso na Amerikano sa Tsina ...
  • karangalan
  • karangalan

Mga tagubilin & Balita