legines.com
24M Presto Manifold

24M Presto Manifold

Mga Tampok ng Produkto:
■■ Tanso collet
■■ Buna n o-singsing
■■ Suporta ng Stainless Steel Tube
■■ Nakakatugon sa D.O.T. FMVSS571.106
■■ Meets SAE J2494-3
■■ Composite Body - Malakas, magaan, compact at lumalaban sa epekto
■■ Mga pagsasaayos ng plug-in

Mga Pamilihan:
■■ Malakas na trak ng tungkulin
■■ Trailer
■■ Mobile

Mga Aplikasyon:
■■ Air preno
■■ Mga tanke ng hangin
■■ Pagsakay sa hangin
■■ Mga slider
■■ Inflation ng gulong
■■ Mga Linya ng Pangunahing & Secondaryair
■■ Kinokontrol ng taksi ang $

Makipag -ugnay sa amin

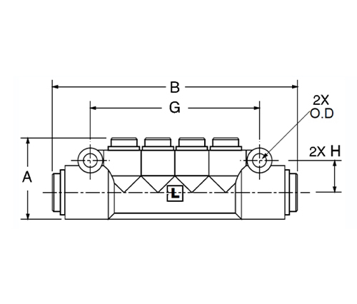
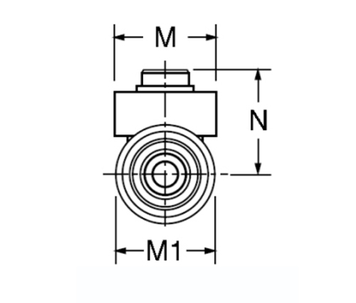
Mga pagtutukoy

Bahagi

Hindi.

Tube O.D..

lnlet

Tube O.D

Outlet

A B D G H M M1 N
24M-4-4 1/4 1/4 1.33 3.98 .21 2.75 .53 .90 .88 .89
24M-6-4 3/8 1/4 1.33 4.00 .21 2.75 .53 .90 .88 .89
24M-6-6 3/8 3/8 1.65 6.49 .22 4.55 .60 1.02 1.02 1.33
24M-8-8 1/2 1/2 1.65 6.49 .22 4.55 .60 1.02 1.02 1.33
24M-8-6-4-4-6-8 1/2 3/8 & 1/4 $ 1.65 6.49 .22 4.55 .60 1.02 1.02 1.17

Ang 24m Presto Manifold ay binuo upang magbigay ng madali, mabilis at maaasahang serbisyo. Ang pinagsama -samang katawan na may malakas, magaan, epekto ng lumalaban at compact na disenyo ay nagbibigay ng lakas habang binabawasan ang bulk. Ang 24m Presto manifold ay idinisenyo upang matugunan ang D.O.T FMVSS571.106, SAE J2494-3 na mga kinakailangan para sa mga aplikasyon ng mataas na presyon. Ang mga kakayahan ng plug at pag -play ay nagbibigay -daan para sa maximum na kagalingan sa anumang application.

Makipag -ugnay sa amin

Tungkol sa Mga legine

Legines Industrial Makinarya Inc.

Bilang isang propesyonal na tagagawa ng tanso ng tanso ng tanso at itulak ang mga supplier ng fittings.it ay nagpatibay ng buong CNC machining at nagmamay -ari ng lugar ng pagawaan ng 3600 square meters. 45 Awtomatikong Mga Tool sa Machine, 35 Semi-Automatic CNC Machine Tools, pati na rin ang mga namamahagi, na naging mahalagang mga supplier para sa paggawa ng mga pamantayang tanso na Amerikano sa Tsina ...
  • karangalan
  • karangalan

Mga tagubilin & Balita