legines.com
1565 Push in Connect Fittings Elbow

1565 Push in Connect Fittings Elbow

Mga Tampok ng Produkto:
■■ Tanso collet
■■ Buna n o-singsing
■■ Suporta ng Stainless Steel Tube
■■ Nakakatugon sa D.O.T. FMVSS571.106
■■ Meets SAE J2494 & SAE J2494-3

Mga Pamilihan:
■■ Malakas na trak ng tungkulin
■■ Trailer
■■ Mobile

Mga Aplikasyon:
■■ Air preno
■■ Mga tanke ng hangin
■■ Pagsakay sa hangin
■■ Mga slider
■■ Inflation ng gulong
■■ Mga Linya ng Pangunahing & Secondaryair

Katugmang tubing:
■■ SAE J844 Uri ng A&B Nylon Tubing

Sanggunian Bahagi Hindi:
AQ65DOT -165PMT -1865 -DQ65DOT -1565 -dot

Makipag -ugnay sa amin

Mga pagtutukoy

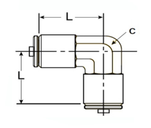
Bahagi# Tube O.D. C L
1565-dot-4 1/4 3/8 .92
1565-dot-6 3/8 1/2 .96
1565-dot-8 1/2 5/8 1.16
1565-dot-10 5/8 11/16 1.19
1565-dot-12 3/4 15/16 $ 1.40

Itulak ang angkop para sa SAE J844 Type A, B, C at D Nylon Tubing. Ginamit gamit ang Buna O-ring at hindi kinakalawang na asero na tubo ay sumusuporta upang payagan ang ligtas na pag-install ng mga hose tulad ng air preno, mga linya ng pagpipiloto ng kuryente at marami pa. Ang agpang ay gawa na may mataas na kalidad na mga materyales upang matiyak ang wastong pag -andar at mahabang buhay.1565 Push sa Connect Fittings siko ay isang angkop na ginamit gamit ang goma tubing. Mayroon itong collet ng tanso. Ang angkop na ito ay ginawa ng Tusa P/N: 1565-dot.Pneumatic Connect Fittings ay ginagamit kasabay ng Tubing upang lumikha ng isang walang hadlang, permanenteng o pansamantalang pagpupulong na gumagamit ng mga karaniwang sangkap na pneumatic.

Makipag -ugnay sa amin

Tungkol sa Mga legine

Legines Industrial Makinarya Inc.

Bilang isang propesyonal na tagagawa ng tanso ng tanso ng tanso at itulak ang mga supplier ng fittings.it ay nagpatibay ng buong CNC machining at nagmamay -ari ng lugar ng pagawaan ng 3600 square meters. 45 Awtomatikong Mga Tool sa Machine, 35 Semi-Automatic CNC Machine Tools, pati na rin ang mga namamahagi, na naging mahalagang mga supplier para sa paggawa ng mga pamantayang tanso na Amerikano sa Tsina ...
  • karangalan
  • karangalan

Mga tagubilin & Balita