legines.com
1570 d.o.t 90 ° siko adapter

1570 d.o.t 90 ° siko adapter

Mga Tampok ng Produkto:
■■ Tanso collet
■■ Buna n o-singsing
■■ Suporta ng Stainless Steel Tube
■■ Nakakatugon sa D.O.T. FMVSS571.106
■■ Meets SAE J2494 & SAE J2494-3

Mga Pamilihan:
■■ Malakas na trak ng tungkulin
■■ Trailer
■■ Mobile

Mga Aplikasyon:
■■ Air Brakes
■■ Mga tanke ng hangin
■■ Pagsakay sa hangin
■■ Mga slider
■■ Inflation ng gulong
■■ Mga Linya ng Pangunahing & Secondaryair

Compatible Tubing:
■■ SAE J844 Type A & B nylon tubing

Sanggunian Bahagi Hindi:
AQ70DOT  -  170PMT  -  1870  -  DQ70DOT  -  1570DOT

Makipag -ugnay sa amin

Mga pagtutukoy

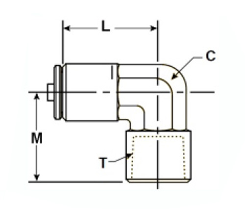
Bahagi#

Tube o.d × femlae nptf

C

M

L

1570-dot-4a

1/4 × 1/8

3/8

.82

.92

1570-dot-4b

1/4 × 1/4

1/2

.94

.102

1570-dot-4c

1/4 × 3/8

5/8 $

.98

1.11

1570-dot-6b

3/8 × 1/4

1/2

.94

.96

1570-dot-6c

3/8 × 3/8

5/8

.91

.98

1570-dot-8d

1/2 × 1/2

5/8

1.21

1.14

Ang SAE J1570 DOT 90 ° siko adapter ay nagtatampok ng isang tanso na collet at buna n type o-singsing para sa pagtagas na walang kalakip at madaling pag-install, habang ang suporta ng hindi kinakalawang na asero ay nagsisiguro ng tibay. Nakakatugon ito sa D.O.T. Mga Kinakailangan, Pagpupulong ng FMVSS571.106, SAE J2494 & SAE J2494-3 Mga pagtutukoy para magamit sa SAE J844 Type A&B Nylon Tubing Sa Malakas na Tungkulin ng Trak, Trailer at Mobile Application.Ang 90 ° Brass Elbow Adapter ay isang solidong koneksyon sa pagitan ng dalawang piraso ng 3/16 sae air prake tubing. Ang mababang disenyo ng profile ng adapter na ito ay nagbibigay -daan upang magkasya sa mga masikip na puwang, habang sapat pa rin ang pagiging malakas upang matugunan ang pagtutukoy ng tuldok. Ang siko na tanso na ito ay idinisenyo upang maiakma sa dulo ng iyong mga linya ng hangin, na nagpapahintulot sa kanila na i -on ang mga sulok sa masikip na lugar. Ginawa ito mula sa mga materyales na lumalaban sa kaagnasan at naglalaman ng isang hindi kinakalawang na tubo ng suporta sa bakal na nagpapanatili itong matibay.

Makipag -ugnay sa amin

Tungkol sa Mga legine

Legines Industrial Makinarya Inc.

Bilang isang propesyonal na tagagawa ng tanso ng tanso ng tanso at itulak ang mga supplier ng fittings.it ay nagpatibay ng buong CNC machining at nagmamay -ari ng lugar ng pagawaan ng 3600 square meters. 45 Awtomatikong Mga Tool sa Machine, 35 Semi-Automatic CNC Machine Tools, pati na rin ang mga namamahagi, na naging mahalagang mga supplier para sa paggawa ng mga pamantayang tanso na Amerikano sa Tsina ...
  • karangalan
  • karangalan

Mga tagubilin & Balita