legines.com
Hindi kinakalawang na asero reducer hex bushing 2530

Hindi kinakalawang na asero reducer hex bushing 2530

Hindi kinakalawang na asero reducer hex bushing na umaangkop sa mga male pambansang pipe taper (NPT) na mga thread sa labas at babaeng NPT na mga thread sa loob para sa pagkonekta ng dalawang tubo ng iba't ibang laki. Mayroon itong mga thread ng NPT para sa paglikha ng isang mas magaan na selyo kaysa sa mga tuwid na mga thread at isang hexagonal na ulo para sa pagtaas ng pagkilos at paggamit ng isang wrench sa panahon ng pag -install at pag -disassembly. Ang bushing na ito ay gawa sa bakal at may galvanized na tapusin upang magbigay ng higit na paglaban sa kalawang kaysa sa bakal at maaaring magamit para sa tubig, singaw, at mga aplikasyon ng hangin. Ang Class 150 hex bushing ay nakakatugon sa mga pagtutukoy ng ASTM A53 at ASME B 1.20.1 para sa katiyakan ng kalidad. Ang klase ay isang pamantayang nauugnay sa pagpapaubaya, konstruksyon, sukat, at kapal ng dingding, ngunit hindi ito isang direktang pagsukat ng maximum na presyon ng pagtatrabaho.

Karaniwang application:
Grasa, pagpapalamig, instrumento at hydraulic system.fuel

Mga kalamangan:
Dryseal pipe threads (BSPT (R)/BSP (g) .Large range ng mga sukat at pagsasaayos $

Makipag -ugnay sa amin

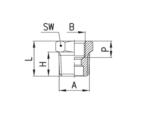
Mga pagtutukoy

Bahagi#

Laki ng Thread A × b

S.W.

L

H

2350-ba

R1/4 × G1/8 14 16.0 11

2350-ca

R3/8 × G1/8 17 16.5 11.5

2350-cb

R3/8 × G1/4 17 19.5 11.5

2350-db

R1/2 × G1/4 22 19.5 14.0

2350-DC

R1/2 × G3/8 22 19.5 15.0

2350-ec

R3/4 × G3/8 22 23.0 16.5

2350-ed

R3/4 × G1/2 27 23.5 16.5

2350-HD

R1 "× G1/2 $ 34 27.0 19.0

Mayroon itong galvanized na tapusin upang magbigay ng higit na paglaban sa kalawang kaysa sa bakal at maaaring magamit para sa tubig, singaw, at mga aplikasyon ng hangin. Ang bushing na ito ay gawa sa bakal at may hexagonal head para sa pagtaas ng pagkilos at paggamit gamit ang isang wrench sa panahon ng pag -install at pag -disassembly. Mayroon din itong mga thread ng NPT para sa paglikha ng isang mas magaan na selyo kaysa sa mga tuwid na mga thread at maaaring magamit para sa pagkonekta ng dalawang tubo ng iba't ibang laki.

Makipag -ugnay sa amin

Tungkol sa Mga legine

Legines Industrial Makinarya Inc.

Bilang isang propesyonal na tagagawa ng tanso ng tanso ng tanso at itulak ang mga supplier ng fittings.it ay nagpatibay ng buong CNC machining at nagmamay -ari ng lugar ng pagawaan ng 3600 square meters. 45 Awtomatikong Mga Tool sa Machine, 35 Semi-Automatic CNC Machine Tools, pati na rin ang mga namamahagi, na naging mahalagang mga supplier para sa paggawa ng mga pamantayang tanso na Amerikano sa Tsina ...
  • karangalan
  • karangalan

Mga tagubilin & Balita