legines.com
131 Steel Inverted Brake Line Plug

131 Steel Inverted Brake Line Plug

Mga Tampok ng Produkto:
■■ Lahat ng konstruksiyon ng tanso
■■ Nakalista ang UL para sa nasusunog na likido at gas
■■ Nakakatugon sa mga kinakailangan sa pag -andar ng SAE J512
■■ Steel nut para sa ekonomiya

Mga Pamilihan: Mga Aplikasyon:
■■ Air conditioning ■■ Mga linya ng nagpapalamig
■■ Marine ■■ Mga linya ng preno
■■ Mobile ■■ Mga linya ng gasolina
■■ Mga makina

Katugmang tubing:
■■ Tanso
■■ Tanso
■■ Aluminyo
■■ Welded Steel Hydraulic Tubing $

Makipag -ugnay sa amin

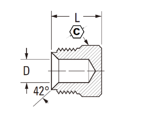
Mga pagtutukoy

Bahagi#

Tube O.D.

C

D

L

131-3

3/16 3/8 .188

.53

131-4

1/4 7/16 .188 .54

131-5

5/16 1/2 .250 .59

131-6

3/8 5/8 .312 .66

*Ref.SAE No.040109 BA $

Ang aming 131 serye ng tanso na baligtad na mga fitting ng linya ng preno ay partikular na idinisenyo para sa mga linya ng gas at gasolina. Ang baligtad na disenyo ay nagbibigay ng isang leak-free na koneksyon sa masikip na mga aplikasyon.
Ang 131 na bakal na baligtad na linya ng preno ay isang sunog o katugma sa gasolina, baligtad na plug-style plug na idinisenyo upang mai-seal ang pagtatapos ng terminal ng nababaluktot na tubing. Ginawa ito mula sa zinc plated steel para sa paglaban sa kaagnasan at isang mahalagang plastik na insert na nag -aalok ng lakas laban sa pagbaluktot. Magagamit din sa isang konstruksiyon ng tanso.
Ang produktong ito ay isang tanso at bakal na plated plug na may inverted flare fitting. Ginagawa ito upang tanggapin ang 1/8 na tubo. Ang sukat ay .53 "diameter ng .54" malalim, ang estilo ng plug na ito ay maaari lamang magamit sa tanso, bakal at aluminyo na tubing.
Ang ekonomiya ay madalas na pangalan ng laro sa mga aplikasyon ng linya ng preno. At walang mas mahusay na paraan upang makatipid ng pera kaysa sa plug ng linya na ito na nagpapanatili ng sariwang hangin sa iyong mga linya, gayunpaman ay mukhang mahusay at tatagal ng mga darating na taon. Na may isang bakal na nut at tanso na bariles, siguradong matugunan ang iyong mga pangangailangan.

Makipag -ugnay sa amin

Tungkol sa Mga legine

Legines Industrial Makinarya Inc.

Bilang isang propesyonal na tagagawa ng tanso ng tanso ng tanso at itulak ang mga supplier ng fittings.it ay nagpatibay ng buong CNC machining at nagmamay -ari ng lugar ng pagawaan ng 3600 square meters. 45 Awtomatikong Mga Tool sa Machine, 35 Semi-Automatic CNC Machine Tools, pati na rin ang mga namamahagi, na naging mahalagang mga supplier para sa paggawa ng mga pamantayang tanso na Amerikano sa Tsina ...
  • karangalan
  • karangalan

Mga tagubilin & Balita