legines.com
100 tanso na inverted flare fitting tube nut

100 tanso na inverted flare fitting tube nut

Mga Tampok ng Produkto:
■■ Lahat ng konstruksiyon ng tanso
■■ Nakalista ang UL para sa nasusunog na likido at gas
■■ Nakakatugon sa mga kinakailangan sa pag -andar ng SAE J512
■■ Steel nut para sa ekonomiya

Mga Pamilihan: Mga Aplikasyon:
■■ Air conditioning ■■ Mga linya ng nagpapalamig
■■ Marine ■■ Mga linya ng preno
■■ Mobile ■■ Mga linya ng gasolina
■■ Mga makina

Katugmang tubing:
■■ Tanso
■■ Tanso
■■ Aluminyo
■■ Welded Steel Hydraulic Tubing

Sanggunian Bahagi Hindi:
2100 41if -100 -41IB $

Makipag -ugnay sa amin

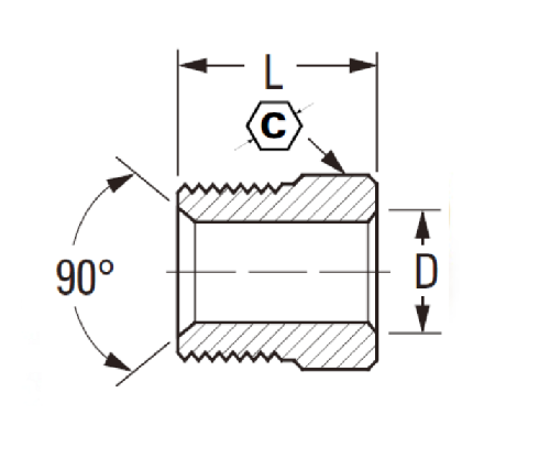
Mga pagtutukoy

Bahagi#

Tube O.D.

C

D

L

100-3

3/16 3/8 .196

.56

100-4

1/4 7/16 .259 .56

100-5

5/16 1/2 .321 .62

100-6

3/8 5/8 .384 .66

100-8

1/2

3/4

.508

.74

*Ref.SAE No.040110 BA $

Malakas at matipid, ang inverted flare fitting na ito ay gawa sa tanso. Kasama sa agpang ang isang bakal na nut para sa kaligtasan at maaaring magamit gamit ang tanso, tanso o aluminyo na tubing. Natutugunan nito ang lahat ng mga kinakailangan sa pag -andar ng SAE J512.
Ang konstruksiyon ng all-tanso, 100% ASME B16.28, SAE J512 & SAE J5195.0 Ang mga fittings ng compressor ay idinisenyo para magamit sa mataas na temperatura ng mga aplikasyon ng singaw at tubig. Ang pagiging tugma ng pipe ng pipe, maaari itong konektado sa anumang bakal na tubing o pipe hanggang sa 1 pulgada (25 milimetro).
Ang baligtad na flare fitting tube nut, na karaniwang kilala bilang isang coupler, ay idinisenyo upang ikonekta ang dalawang piraso ng tubing sa parehong eroplano. Ang fitting ay gumagamit ng isang bakal na nut na may isang flare end na umaangkop sa babaeng flare na umaangkop sa kabilang dulo ng tubo. Ang mga fittings na ito ay ginagamit nang malawak sa isang hanay ng mga aplikasyon mula sa air conditioning hanggang sa mga makina at mobile diesel engine.
Malakas na Tungkulin - Ang mga baligtad na mga fittings na ito ay ginawa nang buo ng tanso at espesyal na idinisenyo upang magamit sa alinman sa tanso o aluminyo na tubing. Ang bawat angkop ay ganap na nababagay at ang mabibigat na konstruksyon ng tungkulin ay nagsisiguro ng tibay sa panahon ng paggamit.

Makipag -ugnay sa amin

Tungkol sa Mga legine

Legines Industrial Makinarya Inc.

Bilang isang propesyonal na tagagawa ng tanso ng tanso ng tanso at itulak ang mga supplier ng fittings.it ay nagpatibay ng buong CNC machining at nagmamay -ari ng lugar ng pagawaan ng 3600 square meters. 45 Awtomatikong Mga Tool sa Machine, 35 Semi-Automatic CNC Machine Tools, pati na rin ang mga namamahagi, na naging mahalagang mga supplier para sa paggawa ng mga pamantayang tanso na Amerikano sa Tsina ...
  • karangalan
  • karangalan

Mga tagubilin & Balita