legines.com
3350# 45 Degree Street Elbow Brass Pipe Fittings

3350# 45 Degree Street Elbow Brass Pipe Fittings

Mga Tampok ng Produkto: Mga Pamilihan:
■■ Lahat ng konstruksiyon ng tanso ■■ Pang -industriya
■■ Nakakatugon sa mga kinakailangan sa pag -andar ng ■■ Konstruksyon
Sae J530 at Sae J531 ■■ Malakas na trak ng tungkulin
■■ Ang mga thread na ginawa sa mga pamantayan ng dryseal ■■ Mobile
■■ Ang parehong mga pagpapatawad at extrusion ay magagamit ■■ Automation ng Pabrika/Proseso

Mga Aplikasyon: katugmang tubing:
■■ Mga linya ng hangin ■■ Tanso
■■ Linya ng tubig ■■ Tanso
■■ Mga linya ng paglamig ■■ Iron Pipe

Mga pagtutukoy:
Saklaw ng presyon hanggang sa 1000 psi
Saklaw ng temperatura -65˚ hanggang 250˚F

Karaniwang application:
Grease, Fuels, LP at Likas na Gas, Pagpapalamig.Instrumentation at Hydraulic Systems

Pagsunod:
Nakakatugon sa mga pagtutukoy at pamantayan ng ASA, ASME at SAE.

Sanggunian Bahagi Hindi:
306 -3350 -2214p -224 -124a $

Makipag -ugnay sa amin

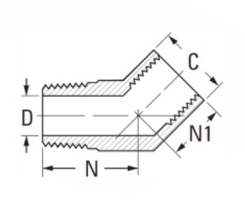
Mga pagtutukoy

Bahagi# Laki ng Thread C D N N1
3350-A 1/8 × 1/8 9/16 .219 .50 .38
3350-B 1/4 × 1/4 11/16 .315 .74 .56
3350-C 3/8 × 3/8 13/16 .438 .78 .56
3350-D 1/2 × 1/2 1 " .562 1.00 .76
3350-e 3/4 × 3/4 1 "-1/4 .750 1.06 .75

*Ref.sae No.130339

Ang 3350 ay isang 45 degree na kalye ng siko na angkop. Ang angkop ay ginawa upang magamit sa iba't ibang mga iba't ibang mga materyales sa piping at maaaring makatiis ng hanggang sa 1000 psi. Mayroon din itong saklaw ng temperatura ng operating sa pagitan ng -65˚ at 250˚F.OUR 45 Degree Street Elbow Brass Pipe Fittings ay ginawa sa iyong eksaktong mga pagtutukoy ng aming koponan ng mga nakaranas na tela. Ang siko ng kalye ay isang pipe na umaangkop na may dalawang pipe thread sa isang dulo at ang kabilang dulo ay may isang 90 ° liko sa pipe. Ang mga siko ng kalye ay ginagamit sa maraming iba't ibang mga industriya mula sa pagtutubero sa transportasyon. Ang mga siko ng kalye ay ginawa sa pagsasaayos ng babae o lalaki upang madagdagan ang daloy ng mga likido o gas sa isang hanay ng mga panggigipit, temperatura at laki ng linya kung kinakailangan ng customer.

Makipag -ugnay sa amin

Tungkol sa Mga legine

Legines Industrial Makinarya Inc.

Bilang isang propesyonal na tagagawa ng tanso ng tanso ng tanso at itulak ang mga supplier ng fittings.it ay nagpatibay ng buong CNC machining at nagmamay -ari ng lugar ng pagawaan ng 3600 square meters. 45 Awtomatikong Mga Tool sa Machine, 35 Semi-Automatic CNC Machine Tools, pati na rin ang mga namamahagi, na naging mahalagang mga supplier para sa paggawa ng mga pamantayang tanso na Amerikano sa Tsina ...
  • karangalan
  • karangalan

Mga tagubilin & Balita