legines.com
3750# tanso fittings male run tee tanso pipe fittings

3750# tanso fittings male run tee tanso pipe fittings

Mga Tampok ng Produkto: Mga Pamilihan:
■■ Lahat ng konstruksiyon ng tanso ■■ Pang -industriya
■■ Nakakatugon sa mga kinakailangan sa pag -andar ng ■■ Konstruksyon
Sae J530 at Sae J531 ■■ Malakas na trak ng tungkulin
■■ Ang mga thread na ginawa sa mga pamantayan ng dryseal ■■ Mobile
■■ Ang parehong mga pagpapatawad at extrusion ay magagamit ■■ Automation ng Pabrika/Proseso

Mga Aplikasyon: katugmang tubing:
■■ Mga linya ng hangin ■■ Tanso
■■ Linya ng tubig ■■ Tanso
■■ Mga linya ng paglamig ■■ Iron Pipe

Mga pagtutukoy:
Saklaw ng presyon hanggang sa 1000 psi
Saklaw ng temperatura -65˚ hanggang 250˚F

Karaniwang application:
Grease, Fuels, LP at Likas na Gas, Pagpapalamig.Instrumentation at Hydraulic Systems

Pagsunod:
Nakakatugon sa mga pagtutukoy at pamantayan ng ASA, ASME at SAE.

Sanggunian Bahagi Hindi:
2225p -225 -3750 -326 -225 -127a -28245 ~ 28249

Makipag -ugnay sa amin

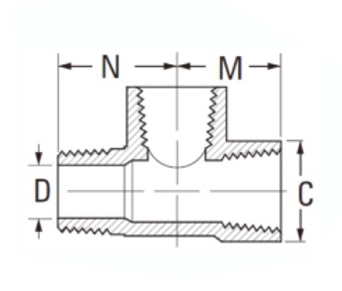
Mga pagtutukoy

Bahagi#

Laki ng Thread

C

D

M

N

3750-A

1/8

9/16

.219

.55

.66

3750-B

1/4

11/16

.312

.78

.90

3750-C

3/8

13/16

.438

.84

.97

3750-d

1/2

1 "

.562

1.09

1.25

3750-e

3/4

1 "-1/4

.750

1.38

1.38

*Ref.sae.no.130424 $

#3750 male run tee fittings ay ginawa mula sa tanso at matugunan ang mga pangangailangan ng pang -industriya, pabrika/proseso ng automation, at mga mobile application. Nagbibigay sila ng isang koneksyon para sa mga pressurized na linya ng hangin. Ang katugmang tubing ay magagamit sa tanso, tanso, at pipe ng bakal. Kasama sa mga merkado ang konstruksyon, pang -industriya at mabibigat na merkado ng trak. Kasama sa mga katugmang materyales ang mga linya ng hangin, mga linya ng tubig at mga linya ng paglamig.Ang mga fittings ng tanso ay dumating sa lalaki at babae para sa iyong kaginhawaan. Ang mga materyales ay sapat na malakas upang tumayo sa mga tagas at lakas, na ginagawang perpekto para sa anumang kondisyon ng panahon.  Ang bawat agpang ay ginawa gamit ang tanso na tubing, tanso at iba pang kalidad na mga materyales na nagdadala ng lakas, tibay at kahabaan ng buhay sa piraso.

Makipag -ugnay sa amin

Tungkol sa Mga legine

Legines Industrial Makinarya Inc.

Bilang isang propesyonal na tagagawa ng tanso ng tanso ng tanso at itulak ang mga supplier ng fittings.it ay nagpatibay ng buong CNC machining at nagmamay -ari ng lugar ng pagawaan ng 3600 square meters. 45 Awtomatikong Mga Tool sa Machine, 35 Semi-Automatic CNC Machine Tools, pati na rin ang mga namamahagi, na naging mahalagang mga supplier para sa paggawa ng mga pamantayang tanso na Amerikano sa Tsina ...
  • karangalan
  • karangalan

Mga tagubilin & Balita