legines.com
352 tanso baligtad flare 45 ° male elbow

352 tanso baligtad flare 45 ° male elbow

Mga Tampok ng Produkto:
■■ Lahat ng konstruksiyon ng tanso
■■ Nakalista ang UL para sa nasusunog na likido at gas
■■ Nakakatugon sa mga kinakailangan sa pag -andar ng SAE J512
■■ Steel nut para sa ekonomiya

Mga Pamilihan: Mga Aplikasyon:
■■ Air conditioning ■■ Mga linya ng nagpapalamig
■■ Marine ■■ Mga linya ng preno
■■ Mobile ■■ Mga linya ng gasolina
■■ Mga makina

Katugmang tubing:
■■ Tanso
■■ Tanso
■■ Aluminyo
■■ Welded Steel Hydraulic Tubing

Sanggunian Bahagi Hindi:
154 -2352 -259ifhd -352 -94W $

Makipag -ugnay sa amin

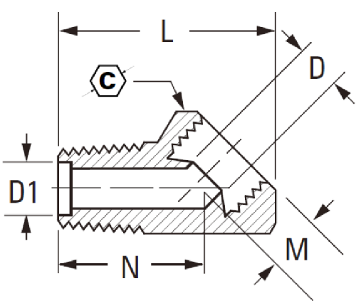
Mga pagtutukoy

Bahagi#

Tube O.D × Thread

C

D

L

352-3a

3/16 × 1/8 17/32 .125 .88

352-4A

1/4 × 1/8 9/16 .188 .94

352-5A

5/16 × 1/8 5/8 .219 1.00

352-5b

5/16 × 1/4 5/8 .219 1.16

352-6b

3/8 × 1/4 25/32 .281 1.34

352-8C

1/2 × 3/8 7/8 .406 1.44

*Ref.SAE No.040302 BA $

Ang 352 tanso na inverted flare 45 ° male elbow (SAE J512) ay idinisenyo para magamit sa air conditioning, mga linya ng nagpapalamig, mga aplikasyon ng dagat at mobile. Ang siko na ito ay may isang male flare na umaangkop sa isang slip-on nut para sa madaling pag-install. Ang SAE J512 male 45 degree flare elbow ay itinayo ng lahat ng tanso maliban sa bakal nut na nagbibigay ng tibay at kakayahang magamit.
Ang 352 tanso na inverted flare 45 ° male elbow ay idinisenyo para sa mga gas at likido, at nakakatugon sa mga functional na kinakailangan ng SAE J512 sa laki 1/8 "hanggang 1". Pagsukat .94 ”sa labas ng diameter.
Ang 3⁄16-inch tube na umaangkop at nag-aalok ng isang 45˚ siko liko.  Ang angkop na ito ay angkop para sa karaniwang air conditioning, pagpapalamig at hydraulic application, pati na rin ang mga mobile o pang -industriya na industriya.

Makipag -ugnay sa amin

Tungkol sa Mga legine

Legines Industrial Makinarya Inc.

Bilang isang propesyonal na tagagawa ng tanso ng tanso ng tanso at itulak ang mga supplier ng fittings.it ay nagpatibay ng buong CNC machining at nagmamay -ari ng lugar ng pagawaan ng 3600 square meters. 45 Awtomatikong Mga Tool sa Machine, 35 Semi-Automatic CNC Machine Tools, pati na rin ang mga namamahagi, na naging mahalagang mga supplier para sa paggawa ng mga pamantayang tanso na Amerikano sa Tsina ...
  • karangalan
  • karangalan

Mga tagubilin & Balita