legines.com
202 Inverted flare fittings male connector

202 Inverted flare fittings male connector

Mga Tampok ng Produkto:
■■ Lahat ng konstruksiyon ng tanso
■■ Nakalista ang UL para sa nasusunog na likido at gas
■■ Nakakatugon sa mga kinakailangan sa pag -andar ng SAE J512
■■ Steel nut para sa ekonomiya

Mga Pamilihan: Mga Aplikasyon:
■■ Air conditioning ■■ Mga linya ng nagpapalamig
■■ Marine ■■ Mga linya ng preno
■■ Mobile ■■ Mga linya ng gasolina
■■ Mga makina

Katugmang tubing:
■■ Tanso
■■ Tanso
■■ Aluminyo
■■ Welded Steel Hydraulic Tubing

Sanggunian Bahagi Hindi:
2200 -48ifhd -202 -48w -200 $

Makipag -ugnay sa amin

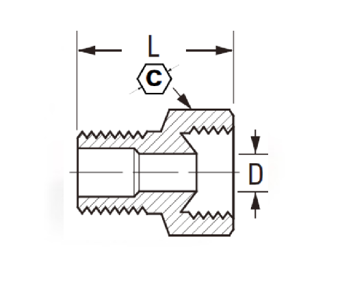
Mga pagtutukoy

Bahagi#

Tube O.D × Thread

C

D

L

202-2A

1/8 × 1/8 13/32 .078 .62

202-3a

3/16 × 1/8 15/32 .125 .70

202-4a

1/4 × 1/8 17/32 .188 .74

202-4b

1/4 × 1/4 9/16 .188 .89

202-5A

5/16 × 1/8 19/32 .219 .79

202-5b

5/16 × 1/4 19/32 .220 .98

202-6A

3/8 × 1/8 3/4 ..281 .89

202-6b

3/8 × 1/4 3/4 .281 1.03

202-6c

3/8 × 3/8 3/4 .281 1.01

202-8b

1/2 × 1/4 29.32 .406 1.08

202-8C

1/2 × 3/8 29/32 .406 1.07

202-8d

1/2 × 1/2 29/32 .406 1.26

202-10d

5/8 × 1/2 1-1/16 .531 1.32

202-12e

3/4 × 3/4 1-1/4 .625 1.39

*Ref.SAE No.040102 BA

Ang mga baligtad na flare fittings ay maaaring magamit sa maraming mga aplikasyon. Ang mga fittings na ito ay itinayo mula sa tanso, na nagsisiguro ng tibay at paglaban sa kaagnasan. Ang pinagsamang O-Ring seal ay ginagamit upang matiyak ang pagtagas na walang pagganap. Ang SAE fitting ay nakakatugon din sa mga kinakailangan sa SAE J512 para sa mga pressurized system.
Nag-aalok kami ng isang mahusay na pagpili ng mga fittings ng flare kabilang ang super-duty, pang-industriya at karaniwang rosebud. Ang aming inverted flare fittings ay ginawa mula sa 100% na tanso, na ginagawang perpekto para sa lahat ng mga pang -industriya na aplikasyon.
Ang mga baligtad na flare fittings ay ginagamit upang ikonekta ang mga hoses at tubing sa mga balbula o iba pang mga aparato. Ang mga ito ay binubuo ng isang clamp nut, isang tubo na umaangkop at isang locking singsing. Ang clamp nut ay mahigpit sa tubing at hawak nang ligtas ang tubo sa lugar at pinipigilan ng pag -lock ang singsing na ang tubo mula sa paghila habang naghahatid nito. Ang puwersa ng mahigpit na sapat na ang mga fittings na ito ay maaaring magamit nang walang PTFE tape ngunit dapat mo pa ring lubricate ang mga thread bago ang pagpupulong.

Makipag -ugnay sa amin

Tungkol sa Mga legine

Legines Industrial Makinarya Inc.

Bilang isang propesyonal na tagagawa ng tanso ng tanso ng tanso at itulak ang mga supplier ng fittings.it ay nagpatibay ng buong CNC machining at nagmamay -ari ng lugar ng pagawaan ng 3600 square meters. 45 Awtomatikong Mga Tool sa Machine, 35 Semi-Automatic CNC Machine Tools, pati na rin ang mga namamahagi, na naging mahalagang mga supplier para sa paggawa ng mga pamantayang tanso na Amerikano sa Tsina ...
  • karangalan
  • karangalan

Mga tagubilin & Balita