legines.com
105L Steel Tube Long Thread Nut

105L Steel Tube Long Thread Nut

Mga Tampok ng Produkto:
■■ Lahat ng konstruksiyon ng tanso
■■ Nakalista ang UL para sa nasusunog na likido at gas
■■ Nakakatugon sa mga kinakailangan sa pag -andar ng SAE J512
■■ Steel nut para sa ekonomiya

Mga Pamilihan: Mga Aplikasyon:
■■ Air conditioning ■■ Mga linya ng nagpapalamig
■■ Marine ■■ Mga linya ng preno
■■ Mobile ■■ Mga linya ng gasolina
■■ Mga makina

Katugmang tubing:
■■ Tanso
■■ Tanso
■■ Aluminyo
■■ Welded Steel Hydraulic Tubing

Sanggunian Bahagi Hindi: $

Makipag -ugnay sa amin

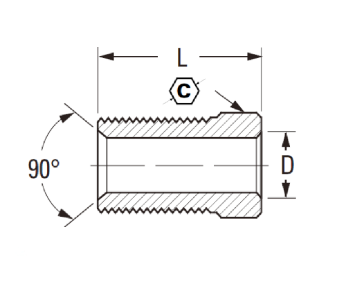
Mga pagtutukoy

Bahagi#

Tube O.D.

C

D

L

105L-3

3/16 3/8 .196

.844

105L-4

1/4 7/16 $ .257 .812

Ito ay isang konstruksyon ng tanso, mahabang thread nut para sa tubo hanggang sa 1/4 "materyal na O.D.
Naghahanap ng hindi kinakalawang na asero tubing nuts? Ang listahan na ito ay para sa iyo! Ang 105L hindi kinakalawang na bakal na tubo ng Long Thread Nut ay isang mahusay na pag -upgrade sa iyong sistema ng pagtutubero na binuo ng lahat ng konstruksyon ng tanso at nakakatugon sa mga kinakailangan na kinakailangan ng SAE J512. Dumating ito sa maraming laki, kaya siguraduhing suriin ang mga ito.

Makipag -ugnay sa amin

Tungkol sa Mga legine

Legines Industrial Makinarya Inc.

Bilang isang propesyonal na tagagawa ng tanso ng tanso ng tanso at itulak ang mga supplier ng fittings.it ay nagpatibay ng buong CNC machining at nagmamay -ari ng lugar ng pagawaan ng 3600 square meters. 45 Awtomatikong Mga Tool sa Machine, 35 Semi-Automatic CNC Machine Tools, pati na rin ang mga namamahagi, na naging mahalagang mga supplier para sa paggawa ng mga pamantayang tanso na Amerikano sa Tsina ...
  • karangalan
  • karangalan

Mga tagubilin & Balita